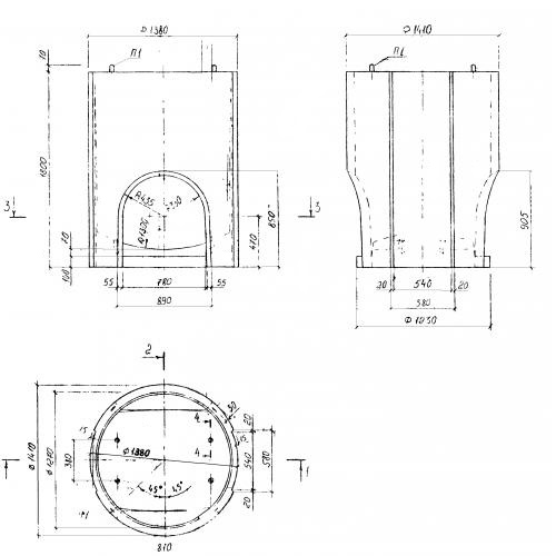
ВС 12 рабочие камеры водосточных колодцев

Чертеж изделия:
Характеристики изделия:
ПараметрЗначение
длина1410 мм
ширина1410 мм
высота1800 мм
масса1800 кг
нормативный документАльбом РК 2201-82

ВС 12  Рабочие камеры водосточных колодцев Альбом РК 2201-82.