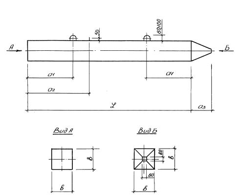
С 50-15-3
Характеристики изделия:
| Параметр | Значение |
|---|---|
| длина | 5000 мм |
| ширина | 150 мм |
| высота | 150 мм |
| масса | 275 кг |
| нормативный документ | ГОСТ 19804-2012 |
Цена:
Рассчитать стоимостьС 50-15-3 Сваи цельные сплошного квадратного сечения по ГОСТ 19804-2012.
| Параметр | Значение |
|---|---|
| длина | 5000 мм |
| ширина | 150 мм |
| высота | 150 мм |
| масса | 275 кг |
| нормативный документ | ГОСТ 19804-2012 |
С 50-15-3 Сваи цельные сплошного квадратного сечения по ГОСТ 19804-2012.