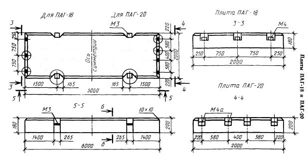
ПАГ 20 IV

Чертеж изделия:
Характеристики изделия:
ПараметрЗначение
длина6000 мм
ширина2000 мм
высота200 мм
масса6000 кг
нормативный документГОСТ 25912.0-91

ГОСТ 25912.0-91 

Предварительно напряженные железобетонные плиты ПАГ размерами 6X2 м, изготовляемые из тяжелого бетона и предназначенные для устройства сборных аэродромных покрытий.

Плиты обозначают марками, состоящими из буквеннцифровых групп, разделенных дефисом. Первая группа содержит сокращенное буквенное наименование плиты — ПАГ (плита аэродромная гладкая).

Во второй группе приводят толщину плиты в сантиметрах и характеристику напрягаемой продольной арматуры:

IV — для арматурной стали классов Ат-IV, At-IVC и A-IV;

V — для арматурной стали классов Ат-V и A-V.

В обозначении марки плит ПАГ-14 с напрягаемой продольной арматурой диаметром 12 мм (ГОСТ 25912.1) дополнительно приводят цифру 1 (через дефис).