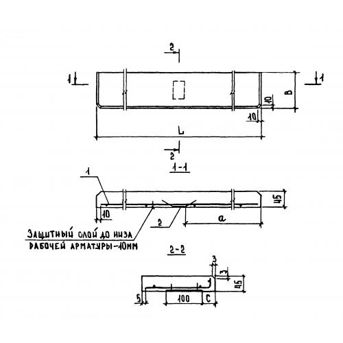
ПОШ 25.35 плиты подоконные

Чертеж изделия:
Характеристики изделия:
ПараметрЗначение
длина2500 мм
ширина350 мм
высота45 мм
масса98 кг
нормативный документГОСТ 26919-86

ПОШ 25.35  Плиты подоконные, имеют мозаичную шлифованную поверхность, так как в бетон добавлена мраморная щебенка, ГОСТ 26919-86.