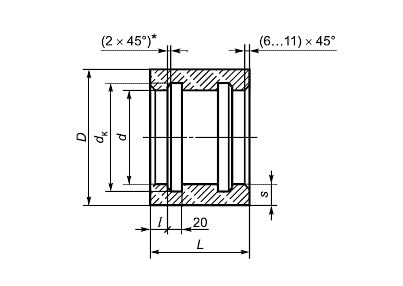
САМ 15
Характеристики изделия:
| Параметр | Значение |
|---|---|
| длина | 150 мм |
| ширина | 150 мм |
| высота | 150 мм |
| масса | 3,6 кг |
| нормативный документ | ГОСТ 31416-2009 |
Цена:
Рассчитать стоимостьСАМ 15 Асбоцементные муфты для напорных трубопроводов ГОСТ 31416-2009.
| Параметр | Значение |
|---|---|
| длина | 150 мм |
| ширина | 150 мм |
| высота | 150 мм |
| масса | 3,6 кг |
| нормативный документ | ГОСТ 31416-2009 |
САМ 15 Асбоцементные муфты для напорных трубопроводов ГОСТ 31416-2009.