С 20-30

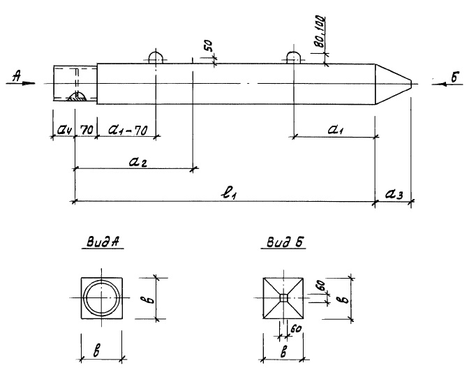
Чертеж изделия:
Характеристики изделия:
ПараметрЗначение
длина20000 мм
ширина300 мм
высота300 мм
масса4510 кг
нормативный документСерия 1.011-КЖИ.10000

С 20-30 Сваи составные  Серия 1.011-КЖИ.10000.