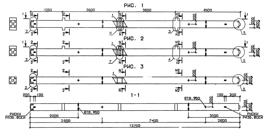
3КН 4.36(48)

Чертеж изделия:
Характеристики изделия:
ПараметрЗначение
длина12750 мм
ширина400 мм
высота400 мм
масса5180 кг
нормативный документСерия 1.020.1-3пв

3КН 4.36(48)  Колонны нижние Серия 1.020.1-3пв.