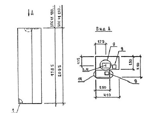
ПС 41.210.2.5 панели стеновые
Характеристики изделия:
| Параметр | Значение |
|---|---|
| длина | 410 мм |
| ширина | 250 мм |
| высота | 2085 мм |
| масса | 360 кг |
| нормативный документ | Серия 1.030.1-1/88 |
Цена:
Рассчитать стоимостьПС 41.210.2.5 Панели стеновые Серия 1.030.1-1/88.
| Параметр | Значение |
|---|---|
| длина | 410 мм |
| ширина | 250 мм |
| высота | 2085 мм |
| масса | 360 кг |
| нормативный документ | Серия 1.030.1-1/88 |
ПС 41.210.2.5 Панели стеновые Серия 1.030.1-1/88.