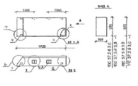
ПС 57.5.6.3.0 панели стеновые

Чертеж изделия:
Характеристики изделия:
ПараметрЗначение
длина5750 мм
ширина300 мм
высота585 мм
масса1480 кг
нормативный документСерия 1.030.1-1/88

ПС 57.5.6.3.0  Панели стеновые Серия 1.030.1-1/88.