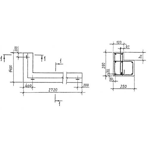
ПГУ 27 перемычки балочные угловые

Чертеж изделия:
Характеристики изделия:
ПараметрЗначение
длина2720 мм
ширина250 мм
высота290 мм
масса623 кг
нормативный документСерия 1.038.1-1

ПГУ 27  Перемычки угловые несущие Серия 1.038.1-1.