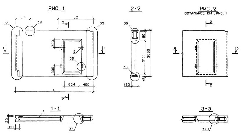
В2 5-52.27.16-2Л
Характеристики изделия:
| Параметр | Значение |
|---|---|
| длина | 5230 мм |
| ширина | 160 мм |
| высота | 2650 мм |
| масса | 4850 мм |
| нормативный документ | Серия 1.131-2/82 |
Цена:
Рассчитать стоимостьСерия 1.131-2/82 Панели внутренних поперечных стен толщиной 120 и 160 мм.
В2 5-52.27.16-2л Внутренняя стеновая панель. (рис.2)
