ПСВ 59.26.16-20т-2.3.2.а2л

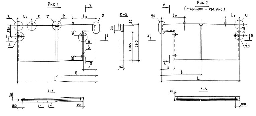
Чертеж изделия:
Характеристики изделия:
ПараметрЗначение
длина5890 мм
ширина160 мм
высота2610 мм
масса5330 кг
нормативный документСерия 1.131.1-27

Серия 1.131.1-27

Маркировка

Марка изделия состоит из буквенно-цифровых групп, разделенных дефисом.

Первая группа содержит буквенное обозначения типа изделия (ПСВ - панель стеновая внутренняя) и её номинальные геометрические размеры (длина и высота в дециметрах с округлением, толщина в сантиметрах).

Вторая группа характеризует материал панели - класс бетона по прочности на сжатие и вид бетона (т - тяжелый).

Третья группа включает индексы, отражающие особенности конкретного изделия. Первая цифра – положение панели в плане здания (1 - панели продольных стен, 2 - панели поперечных стен и панели продольных стен, примыкающие к торцу здания). Вторая цифра – конфигурация панели ( 1 - панель без проема, 2 - панель с проемом, "П"-образная, 3 - панель с проемом у края, "Г"-образная). Третья цифра - ширина проема (1- 890 мм, 2 - 970 мм, 3 - 990 мм, 4 - 1290 мм).

Буквенно-цифровой индекс, отражающий наличие и привязку к правой вертикальной грани шпонок, расположенных на плоскости панели (при взгляде со стороны шпонок). При тех же привязках шпонок к левой грани добавляется индекс "л" (а1л, а2л).

а1 – 2900 мм, а2 – 2960 мм.