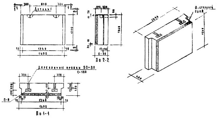
НБО-15.11.4

Чертеж изделия:
Характеристики изделия:
ПараметрЗначение
Длина1490 мм
Ширина420 мм
Высота1060 мм
Масса1210 кг
Нормативный документСерия 1.133-1

Стеновые легкобетонные блоки толщиной 50 см по Серии 1.133-1.

НБО-15.11.4  Подоконный блок.