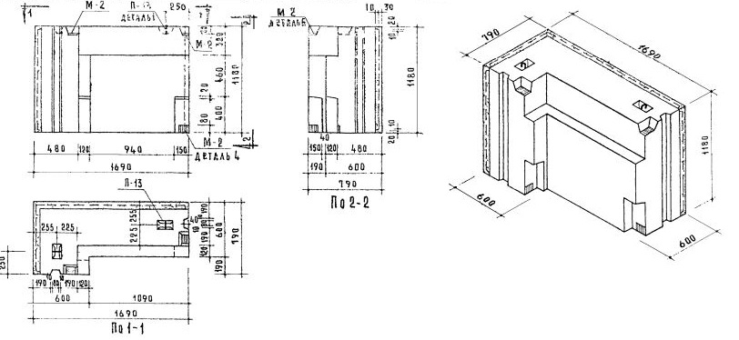
НБПУ-17.12.6

Чертеж изделия:
Характеристики изделия:
ПараметрЗначение
Длина1690 мм
Ширина790 мм
Высота1180 мм
Масса2445 кг
Нормативный документСерия 1.133-1

Стеновые легкобетонные блоки толщиной 60 см по Серии 1.133-1.

НБПУ-17.12.6  Парапетный блок угловой.