1ПР 28

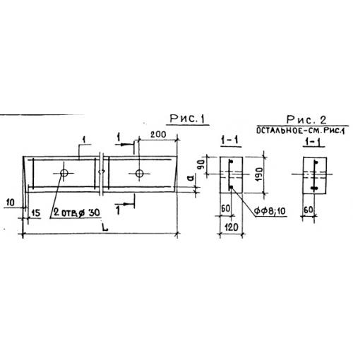
Чертеж изделия:
Характеристики изделия:
ПараметрЗначение
длина2850 мм
ширина120 мм
высота190 мм
вес160 кг
серия1.138-10

1ПР 28 Перемычки брусковые по серии 1.138-10.