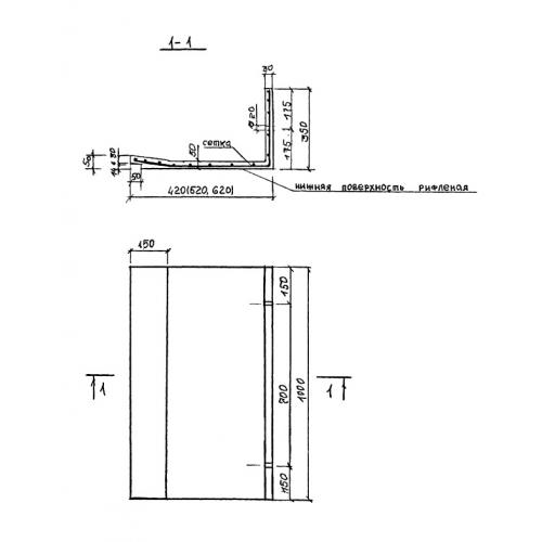
ПУ-10.6.3.5

Чертеж изделия:
Характеристики изделия:
ПараметрЗначение
длина1000 мм
ширина620 мм
высота350 мм
масса73 кг
нормативный документСерия 1.149-КР-1

ПУ-10.6.3.5 Железобетонные плиты перекрытия Серия 1.149-КР-1.