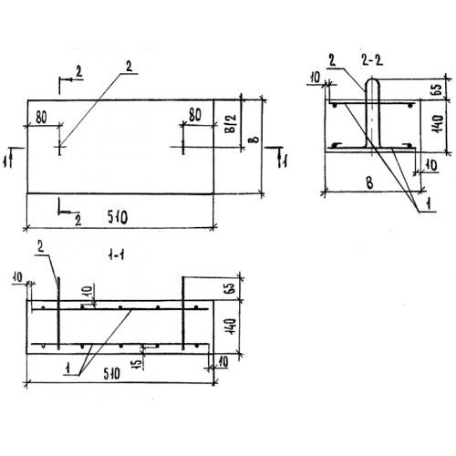
ОП 5-2 опорные плиты прогонов

Чертеж изделия:
Характеристики изделия:
ПараметрЗначение
длина510 мм
ширина250 мм
высота140 мм
масса45 кг
нормативный документСерия 1.225-2

ОП 5-2  Плиты опорные Серия 1.225-2.