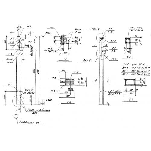
КН
Характеристики изделия:
| Параметр | Значение |
|---|---|
| длина | 8100 мм |
| ширина | 500 мм |
| высота | 300 мм |
| масса | 2800 кг |
| нормативный документ | Серия 1.423-2 |
Цена:
Рассчитать стоимостьКН Бетонные армированные колонны предназначены для возведения каркасов сооружений индустриального назначения, оборудованными мостовыми кранами с ручным управлением, Серия 1.423-2.
