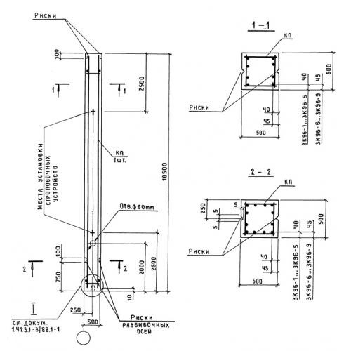
3К 96 колонны

Чертеж изделия:
Характеристики изделия:
ПараметрЗначение
длина10500 мм
ширина500 мм
высота500 мм
масса6600 кг
нормативный документСерия 1.423.1-3/88

3К 96 Колонны Серия 1.423.1-3/88.