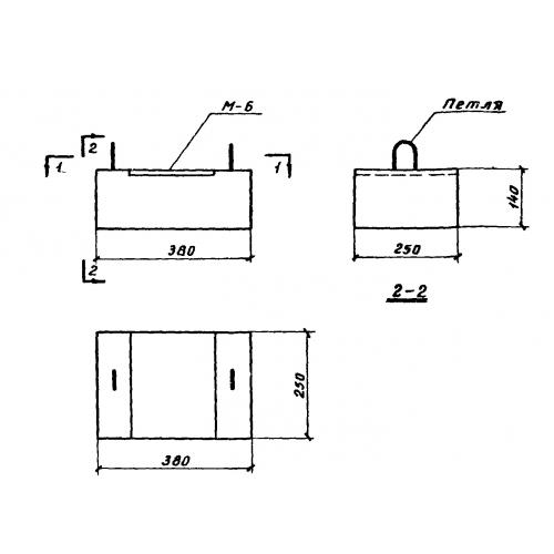
СПО 2.5-4

Чертеж изделия:
Характеристики изделия:
ПараметрЗначение
длина380 мм
ширина250 мм
высота140 мм
вес33 кг
серия1.862-1

СПО 2.5-4 Опорные подушки для сельскохозяйственного строительства по серии 1.862-1.