П 16

Чертеж изделия:
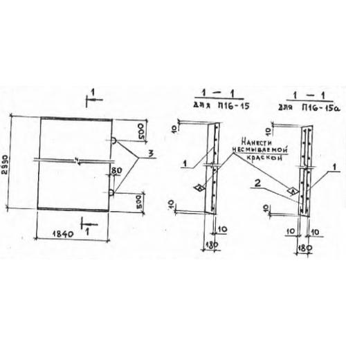
Характеристики изделия:
ПараметрЗначение
длина2990 мм
ширина1840 мм
высота180 мм
вес2480 кг
серия3.006-2

П 16 Плиты перекрытия лотков по серии 3.006-2.