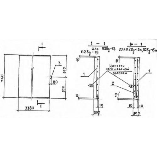
П 28д

Чертеж изделия:
Характеристики изделия:
ПараметрЗначение
длина740 мм
ширина3380 мм
высота300 мм
вес1880 кг
серия3.006-2

П 28д Плиты перекрытия лотков доборные по серии 3.006-2.