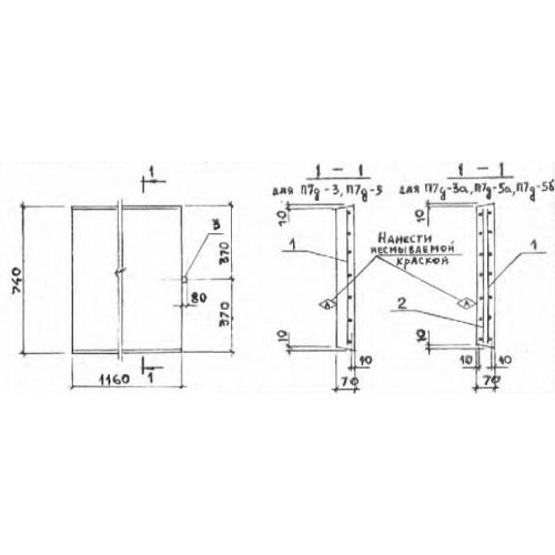
П 7д
Характеристики изделия:
| Параметр | Значение |
|---|---|
| длина | 740 мм |
| ширина | 1160 мм |
| высота | 70 мм |
| вес | 150 кг |
| серия | 3.006-2 |
Цена:
Рассчитать стоимостьП 7д Плиты перекрытия лотков доборные по серии 3.006-2.
| Параметр | Значение |
|---|---|
| длина | 740 мм |
| ширина | 1160 мм |
| высота | 70 мм |
| вес | 150 кг |
| серия | 3.006-2 |
П 7д Плиты перекрытия лотков доборные по серии 3.006-2.
