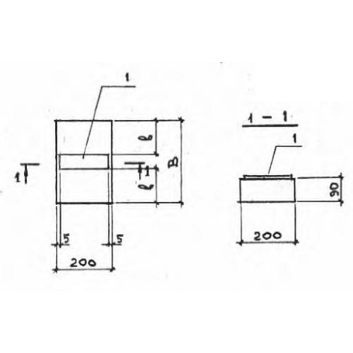
ОП 2

Чертеж изделия:
Характеристики изделия:
ПараметрЗначение
длина200 мм
ширина300 мм
высота90 мм
масса13 кг
нормативный документСерия 3.006.1-2/82

ОП 2  Опорные подушки Серия 3.006.1-2/82.