П 5
Характеристики изделия:
| Параметр | Значение |
|---|---|
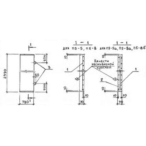
| длина | 2990 мм |
| ширина | 780 мм |
| высота | 70 мм |
| масса | 410 кг |
| нормативный документ | Серия 3.006.1-2/82 |
Цена:
Рассчитать стоимостьП 5 Плиты перекрытия лотков Серия 3.006.1-2/82.
| Параметр | Значение |
|---|---|
| длина | 2990 мм |
| ширина | 780 мм |
| высота | 70 мм |
| масса | 410 кг |
| нормативный документ | Серия 3.006.1-2/82 |
П 5 Плиты перекрытия лотков Серия 3.006.1-2/82.
