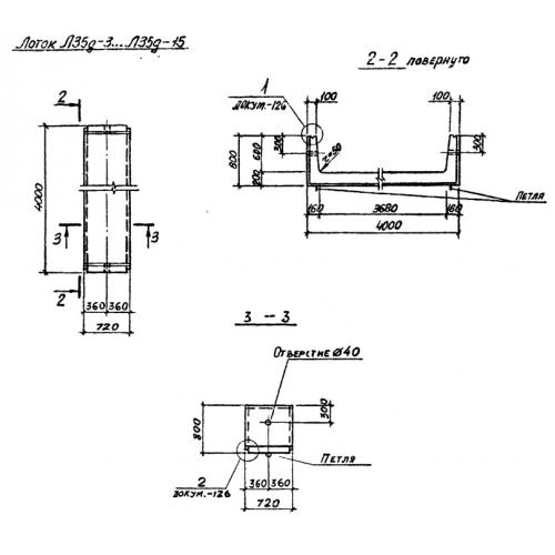
Л 35д лотки

Чертеж изделия:
Характеристики изделия:
ПараметрЗначение
длина720 мм
ширина4000 мм
высота800 мм
масса1800 кг
нормативный документСерия 3.006.1-2/87

Л 35д Лотки теплотрасс доборные Серия 3.006.1-2/87.