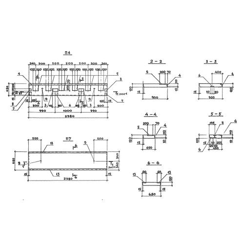
П-4
Характеристики изделия:
| Параметр | Значение |
|---|---|
| длина | 2980 мм |
| ширина | 450 мм |
| высота | 120 мм |
| вес | 400 кг |
| серия | 3.006.1-7 |
Цена:
Рассчитать стоимостьП-4 Плиты перекрытия или торца канала по серии 3.006.1-7.
| Параметр | Значение |
|---|---|
| длина | 2980 мм |
| ширина | 450 мм |
| высота | 120 мм |
| вес | 400 кг |
| серия | 3.006.1-7 |
П-4 Плиты перекрытия или торца канала по серии 3.006.1-7.
