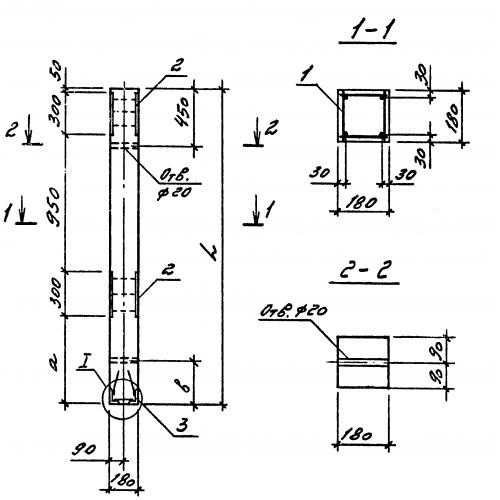
С 5 В

Чертеж изделия:
Характеристики изделия:
ПараметрЗначение
длина2700 мм
ширина180 мм
высота180 мм
масса230 кг
нормативный документСерия 3.016.1-9

С 5 В  Стойки кабельные Серия 3.016.1-9.