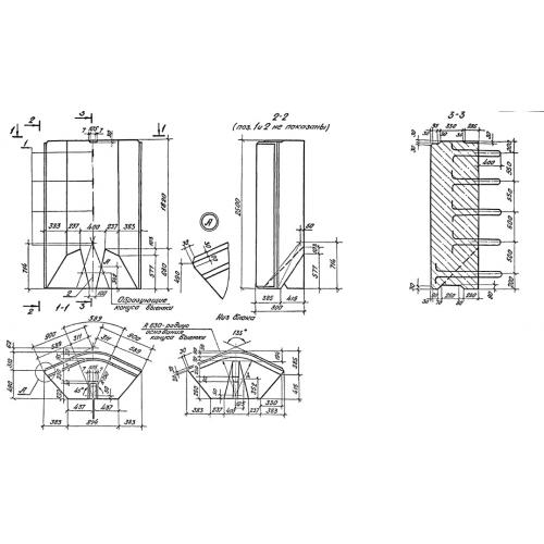
2К 9.25

Чертеж изделия:
Характеристики изделия:
ПараметрЗначение
длина1640 мм
ширина800 мм
высота2500 мм
вес5300 кг
серия3.501.1-150

2К 9.25 Блоки контурные переходные по серии 3.501.1-150.