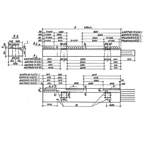
РК 61

Чертеж изделия:
Характеристики изделия:
ПараметрЗначение
длина6050 мм
ширина1400 мм
высота750 мм
вес13800 кг
серия3.503.1-100

РК 61  Блоки ригеля по серии 3.503.1-100.