СП

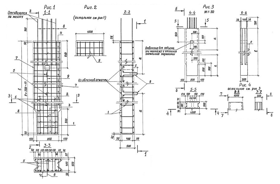
Чертеж изделия:
Характеристики изделия:
ПараметрЗначение
длина7880 мм
ширина1000 мм
высота500 мм
масса8000 кг
нормативный документСерия 3.503.1-57

СП  Блоки стенок Серия 3.503.1-57.