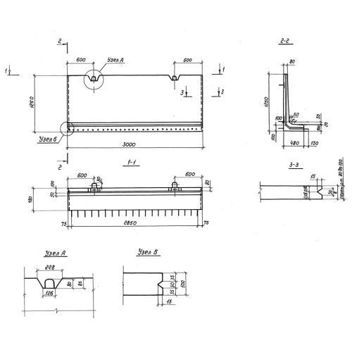
Г 12.30

Чертеж изделия:
Характеристики изделия:
ПараметрЗначение
длина3000 мм
ширина630 мм
высота1250 мм
вес1180 кг
серия3.820.1-39

Г 12.30 Г-образные конструкции многоцелевого нзначения по серии 3.820.1-39.