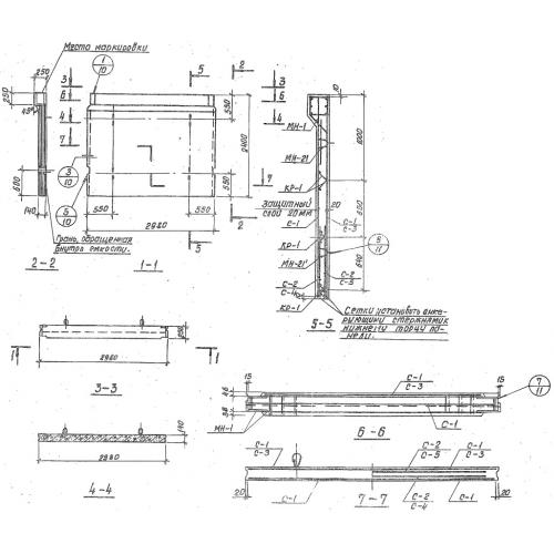
ПС 300-240-25 Панель стеновая балочная

Чертеж изделия:
Характеристики изделия:
ПараметрЗначение
длина2980 мм
ширина2400 мм
высота250 мм
масса275 кг
нормативный документСерия 3.900.-3

ПС 300-240-25 Панели стеновые балочные для прямоугольных сооружений по Серии 3.900.-3.