Ф-1

Чертеж изделия:
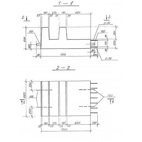
Характеристики изделия:
ПараметрЗначение
длина1350 мм
ширина980 мм
высота600 мм
масса1200 кг
нормативный документСерия 3.903 КЛ-13

Ф-1  Фундаменты по Серии 3.903 КЛ-13.