ПС-13

Чертеж изделия:
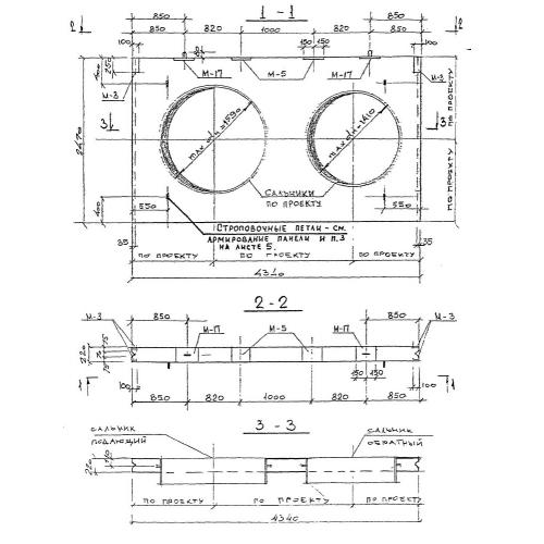
Характеристики изделия:
ПараметрЗначение
длина4340 мм
ширина220 мм
высота2470 мм
масса4000 кг
нормативный документСерия 3.903 КЛ-13

ПС-13  Панели стеновые по Серии 3.903 КЛ-13.