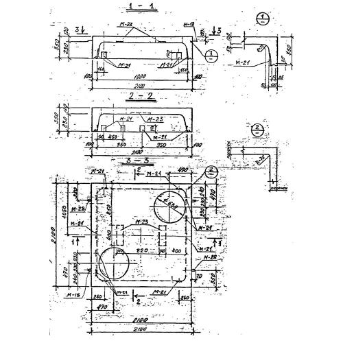
ВБК-1.8

Чертеж изделия:
Характеристики изделия:
ПараметрЗначение
длина2100 мм
ширина2100 мм
высота350 мм
масса1650 кг
нормативный документСерия 3.903 КЛ-13

ВБК-1.8 Блоки камеры верхние по Серии 3.903 КЛ-13.