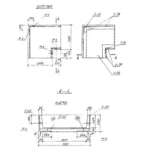
УЛТ 160

Чертеж изделия:
Характеристики изделия:
ПараметрЗначение
длина2380 мм
ширина2380 мм
высота590 мм
масса2500 кг
нормативный документСерия 3.903 КЛ-14

УЛТ 160   Угловые лотки теплофикационные по Серии 3.903 КЛ-14.