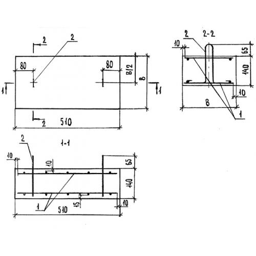
ОП 5-4 опорные плиты

Чертеж изделия:
Характеристики изделия:
ПараметрЗначение
длина510 мм
ширина380 мм
высота140 мм
масса67,5 кг
нормативный документСерия ИИ 03-02

ОП 5-4 Опорные плиты по Серии ИИ 03-02.