Укрытие защитноеВариант 3
Характеристики изделия:
| Параметр | Значение |
|---|---|
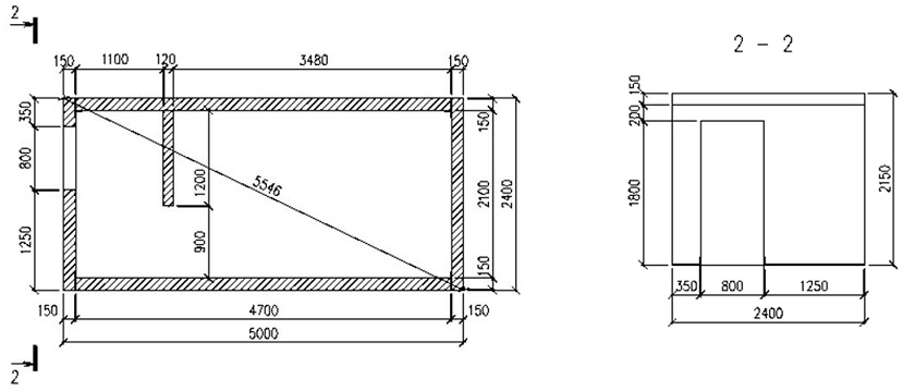
| Длина | 5000 мм |
| Ширина | 2400 мм |
| Высота | 2150 мм |
| Масса | 15330 кг |
Цена:
Рассчитать стоимостьУкрытие защитное железобетонное модульное марки Б-50-О.
Для укрытия до 18 человек.
Габаритные размеры сооружения:
- наружный размер — 5000х2400х2150 мм;
- внутренний размер — 4700х2100х2000 мм;
- площадь пола 9,87 м2, внутренний объем 19,74 м3.